


电位器系列滑动电位器 F-101N产品简介
F-101N电位器也可称作直滑式电位器、滑动电位器等,主要为消费类数码产品以及专业音响等所用到。
电位器系列滑动电位器 F-101N技术参数
阻值范围(Ohms) :1K~500K
阻值偏差: ±20%
阻值变化特征: B
最高使用电压:AC100V
额定功率: 0.03W
滑动杂音: <100MV
残留阻值: Term.1-2 <10Ω
Term 2-3<20Ω
绝缘阻值: More than 50MΩ at DC100V
耐电压 :1 minute at AC100V
电位器系列滑动电位器 F-101N机械特征:
滑动行程 : 10.0mm±0.5mm
滑动力: 5gf.cm~90gf.cm
止档强度: 2.5 kgf.cm Min
推柄推拉承受强度: 1.0kgf.cm Min. at 10Sec
滑动寿命:10000cycles
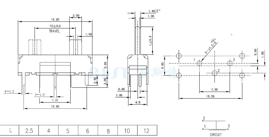
电位器系列滑动电位器 F-101N参考图纸
单位:mm


Copyright © 广东精密龙电子科技有限公司 版权所有 粤ICP备17035144号 粤公网安备44130202001184号
全国服务电话:0755-83205533 传真:0755-83761155
公司地址:深圳市龙岗区龙岗大道8288号深圳大运软件小镇45栋2楼

